電話:0512-57571599
手機:13358054159
郵箱:rimy@so-k.com.cn
地址:江蘇省昆山市高新區錦淞路268號4棟
ebmpapst依必安派特品牌風機系列包括很多種,常用的幾個系列主要包括外轉子軸流風機、離心風機、鼓風機、ahu風機等。今天就為大家詳細介紹一款ebm外轉子軸流風機。

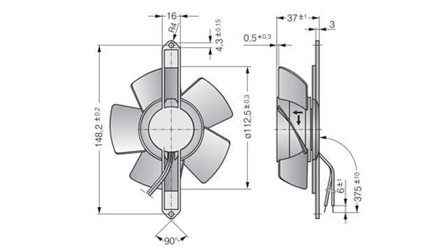
這款ebm外轉子軸流風機尺寸為113*37mm,重量為0.430kg,電壓是115V交流電,功率18.0W,轉速2900RPM,風量147m3/h,噪音為44dba,葉輪材質采用的是高檔金屬。軸承系統采用的是滾珠軸承,使用溫度在-40℃到80℃,環境溫度為40℃時,使用壽命為40000小時,在最高溫度下,使用壽命為17500小時,電機具有過載保護功能,產品通過了VDE,CSA,UL,CE等認證。

這款ebm外轉子軸流風機的特點就是噪音低、效率高、設計緊湊、耐高溫,能夠真正的節省空間,在各種不同的設備和系統中進行冷熱空氣交換。首肯電子12年專注于品牌風機生產銷售,是ebmpapst依必安派特官方授權代理,提供多種產品尺寸和性能,全新原裝,正品保障,提供原廠售后和質保,歡迎咨詢選購。
